HUA XING

新闻动态

News Center

>
新闻动态
>
通知通告
>
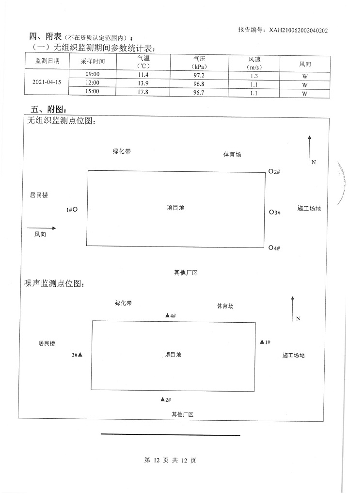
咸阳澳华瓷业有限公司检测报告

咸阳澳华瓷业有限公司检测报告

作者:
来源:
发布时间:
2021/07/20
浏览量