建筑行业
建筑行业
建筑行业
建筑行业
建筑行业
建筑行业
建筑行业
建筑行业
建筑行业
建筑行业
建筑行业
HUA XING
产品中心
Product Center
产品描述
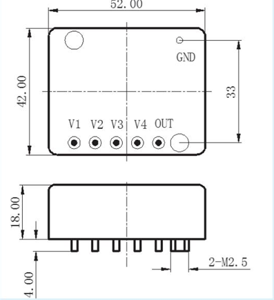
1、外形尺寸

2、主要性能指标
|
产品型号 |
ZC530 |
|
标称频率 |
16.116M;97.116M;
181.184M;218.616M |
|
波形 |
正弦波 |
|
负载 |
50Ω |
|
输出电平 |
> 700mV |
|
杂波抑制 |
80dbm |
|
相位噪声 |
F1、F2 < -130dbc/Hz@1kHz
F3、F4 < -125dbc/Hz@1kHz |
|
温度特性 |
< ±2ppm(-55℃~ 70℃ ) |
|
频率准确度 |
< ±1PPM |
|
工作电压 |
+ 5V±5% |
|
工作电流 |
< 40mA |
|
年老化率 |
< ±1PPM |
|
输出功率 |
< 0.2W |
上一篇
ZA540 晶体振荡器
LSP-10.7MA1、LSP-10.7MB1、LSP-10.7MB1A、LSP-10.7MC11( LP1-1071 ~ 1074)石英晶体滤波器
下一篇